Get exclusive volume discounts, bulk pricing updates, and new product alerts delivered directly to your inbox.
By subscribing, you agree to our Terms of Service and Privacy Policy.
Direct access to our certified experts
Get exclusive volume discounts, bulk pricing updates, and new product alerts delivered directly to your inbox.
By subscribing, you agree to our Terms of Service and Privacy Policy.
Direct access to our certified experts
Rated power: 90KW±10%(adjustable)
Power supply: 380V, 3P, 50Hz
Rated temperture: 1050℃
Temperature control zone: 1-zone
Working size: Diameter: 850mm; Depth: 1300mm
Temperature uniformity: ±5℃
Temperature control accuracy: ±1℃
Furnace cover lifting method: Electric lifting
Refractory lining: All-fiber structure
Heating method: 4 sides heating
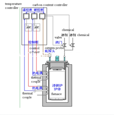
Temperature control method: PID control, SHIMAX Temperature Controller; Paperless recorder
Carburizing control method: automatic carbon potential controller
Circulating fan: 2.2KW Water cooling motor, φ400mm cast steel vane (blast capacity: 4800m3/h; air pressure: 1500Pa; revolving speed: 1400r/min)
3. Structure introduction
This pit type carburizing furnace is comprised of furnace body, furnace lining, furnace cover lifting
mechanism, fan, heating elements, muffle tank, electrical control system and carbon potential control
system.
Furnace body: The frame of carburizing furnace shell is fabricated from 4-12mm
steel plates and 12# sectional steel.
The whole steel structure has good appearance. The external wall of the furnace is painted
with 2 layers of primers, and 2 layers of coating paint. The key part of the furnace is painted
with heat resistant paint.
Lining :pit type furnace is an all-fiber structure. It has the advantages of low heat conductivity,
strong anti-shock capacity, and anti-erosion. The fiber blocks are fixed by round stainless steel
parts. This refractory lining structure has the advantages of low heat conductivity, strong anti-shock
capacity, and anti-erosion. The silicate aluminum fiber resists a maximum temperature of 1200℃.
The refractory fiber is supplied from Shandong. The total lining thickness is 350mm. The furnace
lining adopts 300mm silicate aluminum fiber block as refractory layer and 50mm heat insulation layer.
Furnace cover: The cover is made from #30mm A3 steel plate. The heat preservation box of the
cover is made from CrMnN heat resistant castings, and is filled with aluminum fiber. The heat
treatment furnace cover and muffle tank is double-sealed and also water-cooled. The furnace
cover is equipped with water-cooling sealing fan, 3-hole dripper, and exhaust pipe. The drip-in
quantity of the carburizing chemical is controlled by the dripper. The carburizing chemical is
evaporated to become a carburizing atmosphere under high temperature. The inside pressure
is regulated by a pressure regulator. The furnace cover is also preserved with sampling tube,
gas inlet hole, and gas outlet hole for easy installation of carbon potential controller and CO2 analyzer.
Heating elements: 0Cr21AL6Nb spiral-shaped resistance belts mounted in the hearth wall.
The resistance belts are made by special molds to ensure no damage in production. The
resistance belts are fixed to the wall by porcelain nails. The porcelain nails and gaskets are
made of corundum material under high temperature sintering process. The furnace has 1
temperature control zone.
Fan:Installed on the furnace cover. The impeller is made from 310S anti-erosion heat
resistant stainless steel vanes. The fan and shaft is a combination type and is water-cooled.
Muffle tank: 10mm thick SUS310S (0Cr25Ni20) heat resistant steel plate. The muffle tank
and the furnace cover is sealed by asbestos roots. The sealing ring is water-cooled to ensure its service life.
Furnace cover lifting mechanism: The up-down movement of the furnace cover is through
the electrical screw mechanism. On the up-down shaft there are 2 limit switches to prevent damages.
Electrical Control System
Temperature control: The temperature of the electrical resistance furnace is controlled by
JAPAN intelligent temperature controller with PID regulation. It can calculate the ideal PID
parameter, and achieves the most wanted tempeature uniformity and stability.
• This pit type furnace has 1 control zone. The motor moves are necessarily interlocked.
• There is over temperature alarm for each heating zone.
• The components used in the control system are of CHINT or DELIXI brand. The
• components are AC contactor, fast fuse, intermediate relay, travel switch, switches,
• buttons, and indication lights, ammeter, and voltmeter.
• The control cabinet is made according to state standard. And the wires are clearly printed.
5. Carbon Potental Control System
5.1 Main Performance Index
5.1.1 furnace temperature uniformity: ≤±5℃ (effective working area)
5.1.2 temperature stability: ≤±1℃ (instrument control accuracy)
5.1.3 temperature control method: PID power regulation;
5.1.4 carbon potential uniformity: ≤±0.05%CP;
5.1.5 carbon potential stability: ≤±0.02%CP;
5.1.6 carbide uniformity grade: ≤±1 grade;
5.1.7 Effective case depth tolerance: ≤±0.1mm for case depth≤1mm; ±5%
for case depth: ≥1mm; (same bath material);
5.1.8 carbon potential control method: oxygen probe for propane and PID regulation;
5.2 Functions
5.2.1 Temperature control: The temperature control system is based on JAPAN
temperature controller. The temperature system has a high temperature control
accuracy and a high stability. Its temperature control accuracy is ±1℃.
5.2.2 atmosphere carbon potentialk control: The carbon potential control system
adopts anti heat shock oxygen probe, JCT1 carbon potential controller, and imported
solenoid valve to control the carbon potential.
JCT1 carbon potential controller has more than 10 years of field experience.
The potential controller is appropriate for vairous applications. It has a high
control accuracy, and its anti-inteference ability has reached the international level.
The potential controller is able to save 100 processes. The oxygen probe is also set
with carbon deposit burning device.
