SAUTER AFH FAST Tension Analysis Software
Contact
Secure Checkout
Quality Engagement
Easy change and return
Delivery Available
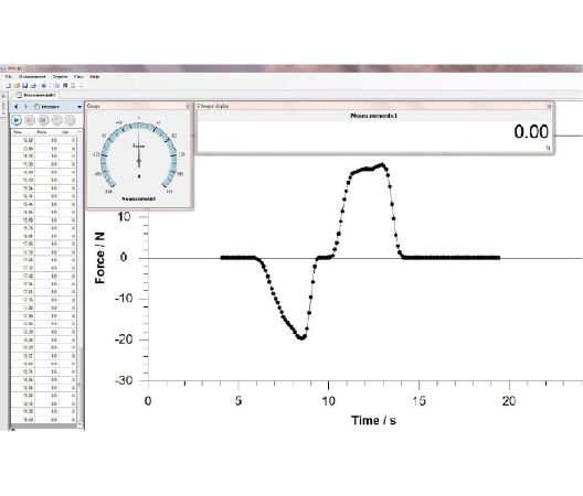
Thông số kĩ thuật:
- Sử dụng được với các dòng máy đo lực FH và FL
- Dữ liệu định dạng là file Excel
- Biểu đồ thể hiện giữa thời gian trục X và lực trục Y
- Phù hợp với Window 7/8.1/10
Stay Updated with Offers
Get exclusive volume discounts, bulk pricing updates, and new product alerts delivered directly to your inbox.
By subscribing, you agree to our Terms of Service and Privacy Policy.
Quick Support
Direct access to our certified experts

