Get exclusive volume discounts, bulk pricing updates, and new product alerts delivered directly to your inbox.
By subscribing, you agree to our Terms of Service and Privacy Policy.
Direct access to our certified experts
Get exclusive volume discounts, bulk pricing updates, and new product alerts delivered directly to your inbox.
By subscribing, you agree to our Terms of Service and Privacy Policy.
Direct access to our certified experts

Technical Data – Sizes
HM types: HM P 25
Measuring Range (l/min): 28 - 280 L/min
K-Factor (pulses/l): 127 (pulses/l)
Max. Pressure: 20 [290] (bar/psi)
Max. Frequency (Hz): 820 Hz
Weight: 1.1 kg
Technical Data – General
Repeatability: ±0.05 % (under the same condition)
Linearity: ±2.5 % of actual flow (viscosity = 1 mm²/s)
Viscosity Range: 0.8 up to 10 mm2/s
Materials
Housing: as per DIN 1.4305 [AISI 303]
Wheels: as per DIN 1.4122]
Bearing: Brass, Ceramics
Seals: FKM, Graphite
Medium Temperature: -60 °C up to +350 °C [-76 °F up to +662 °F]
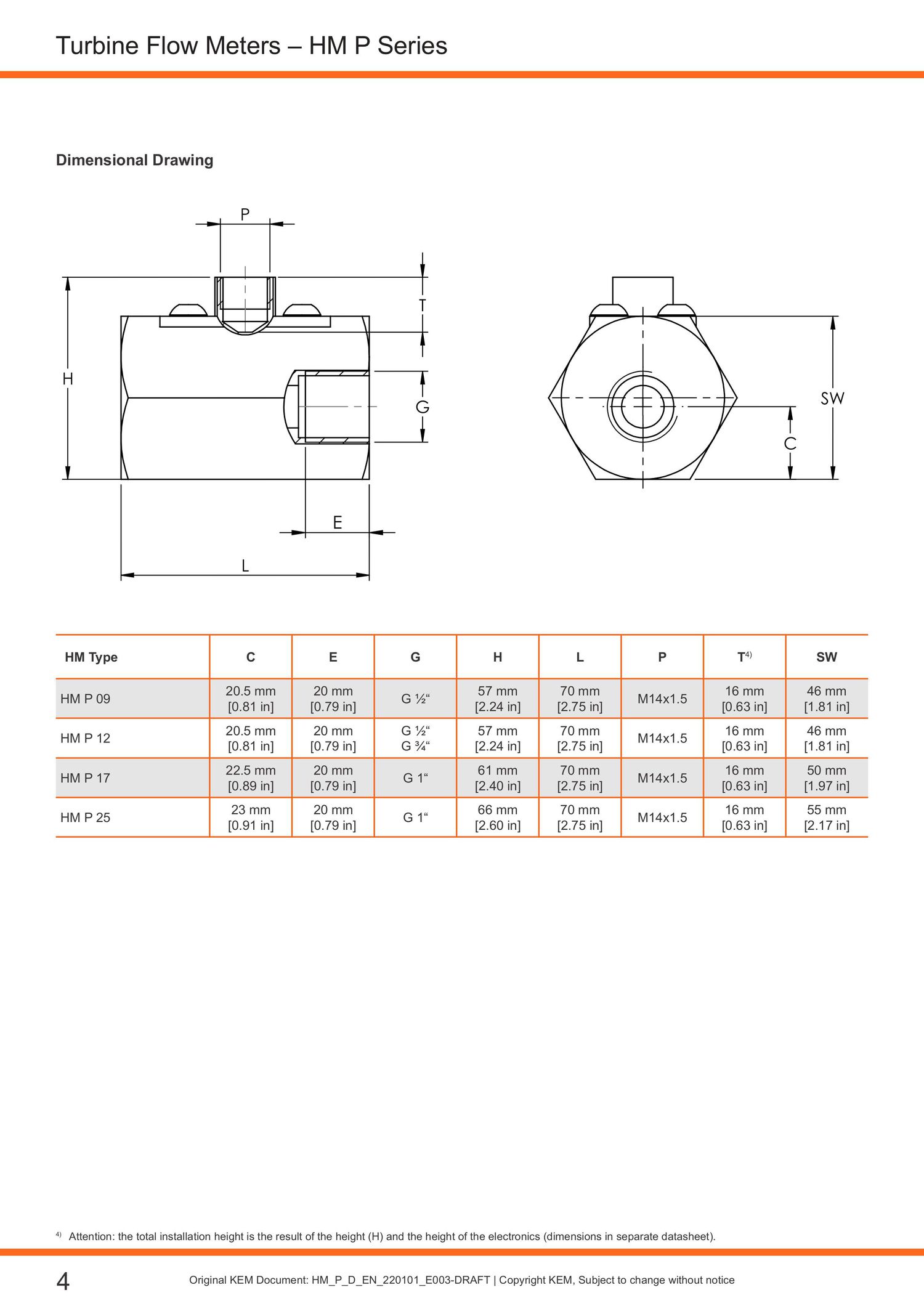
Dimensions: See dimensional drawing
See datasheet for choosing suitable configurations!